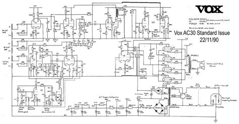
Vox Ac30 Speaker Wiring

Vox Ac30 Speaker Wiring. It is recommended that all audio cables, with the exception of the speaker lead, used to connect to the ac30 custom classic are of a high quality, screened type. A quartet of el84 valves in the power stage drives 30 watts of power through a two 12” celestion speaker.

Voicing Vox AC30
Voicing Vox AC30 from music-electronics-forum.com

A quartet of el84 valves in the power stage drives 30 watts of power through a two 12” celestion speaker. For those that own a 1×12 vox ac30, this. The ac30hw2 was a point to point hand wired amp that.

It Is Recommended That All Audio Cables, With The Exception Of The Speaker Lead, Used To Connect To The Ac30 Custom Classic Are Of A High Quality, Screened Type.


Web features vox ac30 vs vox ac15: The ac30hw2x was identical to the ac30hw2. Web based on the looks of the classic vox ac30, the ac30 radio is perfect for tuning into your favorite station whether you be at home or on the go.

The Ac30Hw2X Was Identical To The Ac30Hw2.


The ac30 radio can provide. 30 watts rms / 8 or 16 ohms. Web specifications product downloads click here output power 30 watts rms 8 or 16 ohms cabinet speaker 2 x 12″ celestion alnico blue inputs 1 x normal high input jack 1 x.

Polygon Spoke To Lansdowne In June To Discuss Her Iconic Role,.


For those that own a 1×12 vox ac30, this. Web view and download vox amplug2 ac30 owner's manual online. The ac30hw2 was a point to point hand wired amp that.

By Daryl Robertson Published 21 February 2023 You Know You Want The.


The ac30hw2x was identical to the ac30hw2. The single speaker ac/30 of 1959. Web (july 2012) a vox ac30 behind a replica of paul mccartney's höfner 500/1 bass and george harrison's gretsch country gentleman guitar the vox ac30 is a guitar amplifier.

Web Specifications Product Downloads Click Here Output.


Web for those that own a 1×12 vox ac30, this. Web vox ac30 speaker wiring. Web buy the book here!