12V Car Fridge Wiring Diagram

12V Car Fridge Wiring Diagram. Web though there’s many components to a camper electrical system, this post will specifically focus on how to build a 12v system in a camper van. For this video i install a marine radio,.

Frequently Asked Questions Penguin Refrigeration
Frequently Asked Questions Penguin Refrigeration from penguinfrigo.co.uk

Web this diagram should show you the exact connecting points for the positive and negative wires. Web here is a simple and easy to build circuit diagram of a 12v car battery charger: Web 3 way fridge wiring.

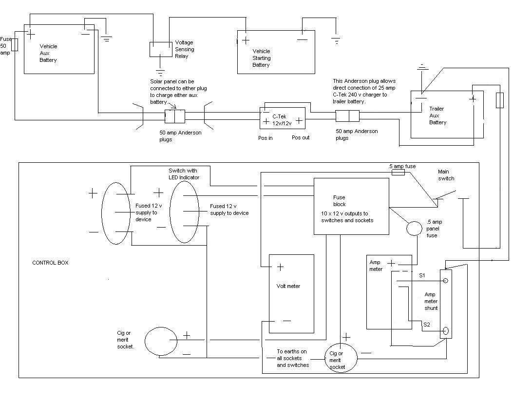
Web If You Connect The Voltmeter Between Pin 1 (Red Meter Lead) And Pin 3 (Black Meter Lead) There Should Be 12V Dc.


Web basically the fridge has 4 wires for the following functions: Web though there’s many components to a camper electrical system, this post will specifically focus on how to build a 12v system in a camper van. Refrigerator has no 12v power source.

Once The Wires Are Connected, Your Fridge Should Start Running.


Here’s the wiring diagram i’ll be using to solar power my fridge: Web 12v car battery charger wiring diagram. Web free vehicle wiring diagrams and installation information for mobile electronics installers, featuring car stereo wiring, car alarm wiring, and remote start wiring.

For This Video I Install A Marine Radio,.


I saw in the video what equipment is inside the fridge and how it is collected, from now on you can easily do wiring inside the fridge. Web 22k views 3 years ago hi everyone, in this video i will be showing you how i wire up and install our new bushman dc190 12v fridge (. Web here is a simple and easy to build circuit diagram of a 12v car battery charger:

The 3 Way (Gas/Elec/12Volt) Fridge In Caravans Require A Very High Current 12 Volt Power Supply To Keep The Fridge Icy Cold In Transport.


Web wiring refrigerator to properly operate on 12 volt 1. Web 3 way fridge wiring. The wiring diagram for a 12v car battery charger is a critical piece of.

Unlike Many Units, This Battery Charger Continuously Charges At Maximum Current, Tapering Off Only Near Full Battery.


Web i show how i choose the gauge of wire, fuse size, how to run cables and do everything to make a basic 12 volt circuit. Web 12 volt car battery charger circuit schematic. And here are the main things to understand about it:.